搜索關鍵詞: 黄瓜视频官网、 91黄瓜视频APP下载係列、 波紋管係列、 空氣彈簧係列、

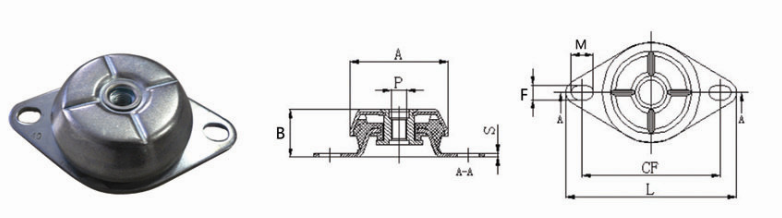
JNH型橡膠91黄瓜视频APP下载產品結構圖:
| 型號 | 橡膠硬度 IRHD (daN/mm) | A | B | P | F*M | CF | L | S | Average Stiffness平均值負荷(Kg/mm) | Max Load最大荷重(Kg) | Max Deflec.最大壓縮量(mm) |
| JNH633008W | 45 | 63 | 30 | M8 | 9*14 | 89 | 110 | 2.5 | 70.0 | 140.0 | 2.0 |
| JNH633008M | 60 | 120.0 | 240.0 | 2.0 | |||||||
| JNH633010W | 45 | 63 | 30 | M10 | 9*14 | 89 | 110 | 2.5 | 70.0 | 140.0 | 2.0 |
| JNH633010M | 60 | 120.0 | 240.0 | 2.0 | |||||||
| JNH783010W | 45 | 78 | 30 | M10 | 9*12 | 110 | 135 | 2.5 | 47.0 | 108.0 | 2.3 |
| JNH783010M | 60 | 116.0 | 267.0 | 2.3 | |||||||
| JNH783012W | 45 | 78 | 30 | M12 | 9*12 | 110 | 135 | 2.5 | 47.0 | 108.0 | 2.3 |
| JNH783012M | 60 | 116.0 | 267.0 | 2.3 | |||||||
| JNH833010W | 45 | 83 | 30 | M10 | 9*13 | 110 | 135 | 3 | 65.0 | 195.0 | 3.0 |
| JNH833010M | 60 | 98.0 | 294.0 | 3.0 | |||||||
| JNH833012W | 45 | 83 | 30 | M12 | 9*13 | 110 | 135 | 3 | 65.0 | 195.0 | 3.0 |
| JNH833012M | 60 | 98.0 | 294.0 | 3.0 | |||||||
| JNH923510W | 45 | 92 | 35 | M10 | 10*15 | 124 | 150 | 3 | 50.0 | 175.0 | 3.5 |
| JNH923510M | 60 | 90.0 | 315.0 | 3.5 | |||||||
| JNH923512W | 45 | 92 | 35 | M12 | 10*15 | 124 | 150 | 3 | 50.0 | 175.0 | 3.5 |
| JNH923512M | 60 | 90.0 | 315.0 | 3.5 | |||||||
| JNH1063812W | 45 | 106 | 38 | M12 | 13*19 | 143 | 175 | 4 | 70.0 | 252.0 | 3.6 |
| JNH1063812M | 60 | 150.0 | 450.0 | 3.0 | |||||||
| JNH1254316W | 45 | 125 | 43 | M16 | 14.5*20 | 156 | 192 | 4 | 88.0 | 352.0 | 4.0 |
| JNH1254316M | 60 | 185.0 | 740.0 | 4.0 | |||||||
| JNH1505016W | 45 | 150 | 50 | M16 | 14*18 | 182 | 218 | 4 | 120.0 | 720.0 | 6.0 |
| JNH1505016M | 60 | 220.0 | 1320.0 | 6.0 | |||||||
| JNH1505020W | 45 | 150 | 50 | M20 | 14*18 | 182 | 218 | 4 | 120.0 | 720.0 | 6.0 |
| JNH1505020M | 60 | 220.0 | 1320.0 | 6.0 |
黄瓜视频下载污實力躋身全國前三,是91黄瓜视频APP下载行業的翹楚,歡迎廣大新老客戶朋友來廠參觀考察,熱線電話18521350330.