黄瓜视频下载污,黄瓜视频官网,91黄瓜视频APP下载,黄瓜视频色版下载

      歡迎訪問上海黄瓜视频下载污91黄瓜视频APP下载有限公司黄瓜视频官网官方網站,

      上海黄瓜视频下载污91黄瓜视频APP下载有限公司

      黄瓜视频下载污91黄瓜视频APP下载,安全又耐用

      實體工廠,歡迎參觀考察

      ZF-160-2衝床橡膠氣囊/類似YOKOHAMA橫濱S-160-2

      文章出處:上海黄瓜视频下载污91黄瓜视频APP下载有限公司 添加時間:2019-11-14 10:48
      ZF-160-2衝床橡膠氣囊/類似YOKOHAMA橫濱S-160-2

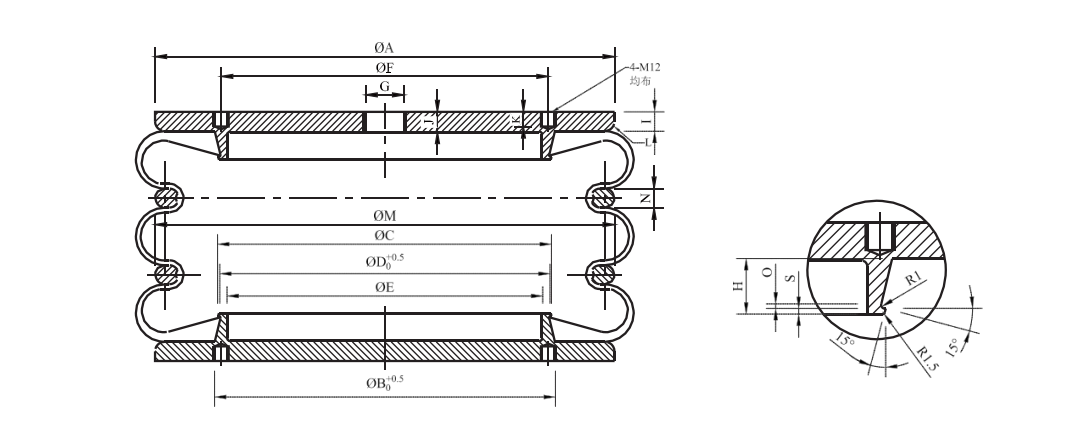
      ZF型自封式橡膠氣囊(衝床設備專用)介紹:

      自封式,是因其無需外力自行密封而得名。如圖,用纖維層做補強處理的橡膠曲囊①在使用時,將防止膨脹的鋼製(鍍鋅)腰環②嵌在其中。③蓋板的端部鋼絲圈借助空氣內壓的作用,使橡膠口部發生變形與上下蓋板(鍍鋅)④密切接觸,從而可防止空氣泄漏。上下蓋板④通過機械加工成型。⑤是用於安裝進氣管路的管螺紋進氣孔,⑥則是安裝用的標準螺紋孔。

      橡膠氣囊的特征:

      1、使用壽命長,自封式由於伸縮時的橡膠變形更少,因此具有優良的耐久性。

      2、維護十分簡單,不存在摩擦滑動部分,因此不需要加潤滑油。

      3、可降低安裝高度,與其他彈簧相比,可以使安裝高度降低,有效增加 行程。

      4、可獲得彈性柔軟的彈簧參數,負載大且彈性柔軟,防振性能超群。

      5、承載力的輸出可變,可通過改變內壓,在很大範圍內改變承載力。

      6、高度可控製,如與高度調整閥並用,對不同負載可保持恒定高度。

      7、具有衰減效果,如與輔助氣室和節流閥並用,可獲得優良的阻尼效 果,從而使共振幅度減小。

      8、易於安裝,結構簡單,安裝和拆卸均簡單易行。

      適用範圍:
      壓力機、衝壓機、機械衝床、氣動衝床、液壓衝床、高速機械衝床、高頻衝床、數控衝床、普通機械衝床、手動衝壓機、螺旋式衝床 、齒條式衝床、連杆式衝床 、凸輪式衝床,造紙設備,造紙生產線,紙張設備等
      產品規格參數表:


      

      返回頂部

      網站地圖